- 產品介紹
BQD系列防爆電磁啟動器型號規格含義:
BQD系列防爆電磁啟動器適用范圍:
1、適用于爆炸性氣體環境1區、2區危險場所。
2、適用于IIA、IIB、IIC類爆炸性氣體環境。
3、適用于可燃性粉塵環境21區、22區場所。
4、戶內、戶外(IIP54、IP65*)
5、廣泛用于石油開采、煉油、化工、海洋石油平臺、油輪等易燃易爆氣體環境,也用于軍工、金屬加工等可燃性粉塵場所。
BQD系列防爆電磁啟動器特點:
1、外殼采用LZ102鑄鋁合金壓鑄成型,表面高壓靜電噴塑;
2、內裝交流接觸器,熱繼電器、自復位轉化開關,帶總開關時還裝有高分斷小型斷路器;
3、可控制交流50Hz、380V三相異步電動機的直接起動停止,并具有過載和斷相及失壓保護;
4、可帶遠控;
5、鋼管或電纜布線均可;
6、電流63A。
BQD系列防爆電磁啟動器技術參數:
|
型號(A) |
額定電流(V) |
額定電壓 |
熱纜電器整定電流調節范圍(A) |
控制電動機功率(KW) |
防爆標志 |
防爆等級 |
防腐等級 |
電纜外徑 |
進線口螺紋 |
|
BQD-12(16) |
12(16) |
220 380 |
0.25~0.35 0.32~0.50 0.45~0.72 0.68~1.10 1.0~1.6 1.5~2.4 2.2~3.5 3.2~5.0 4.5~7.2 6.8~1.1 10~16,15~24 22~33,30~45 50~63,56~85 85~125 |
4 |
Exde IIB T6 Gb ExtD A21 IP65 T80℃ |
IP54, IP65* |
WF1 WF2* |
Φ10~Φ14
|
3/4 |
|
BQD-25(32) |
25(32) |
8 |
3/4(1) |
||||||
|
BQD-40(50) |
40(50) |
18 |
Φ14~Φ18
|
1(11/4) |
|||||
|
BQD-63 |
63 |
28 |
Φ15~Φ23
|
11/4 |
|||||
|
BQD-95 |
95 |
45 |
Φ18~Φ30
|
11/2 |
|||||
|
BQD-12N(16N) |
12(16) |
4 |
Φ10~Φ14
|
3/4 |
|||||
|
BQD-25N(32N) |
25(32) |
8 |
3/4(1) |
||||||
|
BQD-40N |
40 |
18 |
Φ15~Φ23
|
11/4 |
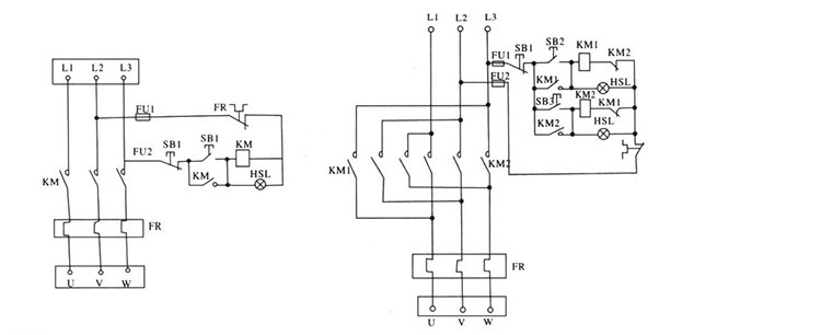
BQD系列防爆電磁啟動器電氣原理圖:
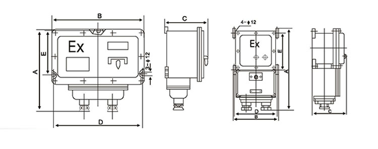
BQD系列防爆電磁啟動器外形安裝尺寸:
南陽盛通防爆電機電器有限公司作為一家專業科研與開發、制造、銷售防爆電磁啟動器廠家, 防爆產品通過國家防爆電氣產品質量監督檢驗中心認證,如您需要購買防爆電磁啟動器或者了解防爆電磁啟動器價格,請來電咨詢 。
其它說明:
●以上產品涉及設計參數及數據請以機身銘牌為準,恕不另行通知
●產品圖片與實物可能會有輕微差別,請以實物為準
●其他詳情請參閱本產品使用手冊
●本公司保留以上宣傳數據的解釋權利。
- 上一篇:永登BQR系列 防爆啟動器
- 下一篇:永登BQJ 防爆自耦減壓電磁起動器










